Vitajte v obchode GEMA - váš odborník na vykurovanie, solárnu a sanitárnu techniku ​​už od roku 1991. Osobne vám poradíme a ponúkame technické riešenia, ktoré naozaj fungujú.
  • rýchle odoslanie

  • Bezplatná pomoc a poradenstvo

  • Otvorené 7 dní v týždni

Anhaltinerring 17, 39439 Güsten

Caleffi  |  SKU: CUV34100

Diferenčný tlakový poistný ventil

Meno: CALEFFI S.p.a.

Adresa: S.R. 229, n. 25, 28010 Fontaneto d'Agogna (NO) Italy

E-mail: info@caleffi.com

Webová stránka: https://www.caleffi.com/de-de

Európsky výrobca: Áno

Normálna cena 30,60 €
vrátane DPH. Zásielka bude účtovaná pri pokladni.


Doručenie a expedícia

Doba spracovania je zvyčajne 1 pracovný deň. Dodanie balíkov je 1 – 3 pracovné dni. V prípade zasielateľskej dopravy trvá doručenie 3 – 5 pracovných dní. Dodacie lehoty mimo Nemecka sa líšia.

Description

Prepúšťací ventil diferenčného tlaku – nastaviteľný so stupnicou

Technické údaje

Maximálny prevádzkový tlak: 10 barov. Priemerný teplotný rozsah: 0–100 °C. Maximálny obsah glykolu: 30 %. Médium: Voda a roztoky glykolu.

funkcia

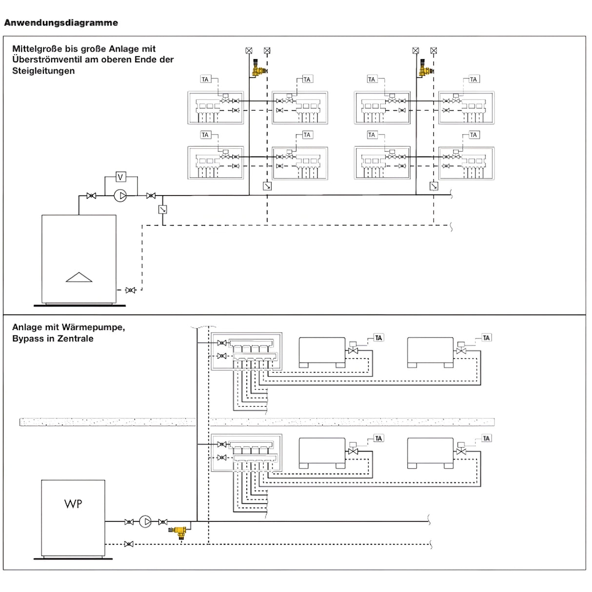
Obtokový ventil diferenčného tlaku zaisťuje riadené spätné prúdenie prietokov v systémoch s kolísavými stavmi spotrebičov. Obmedzuje diferenčný tlak generovaný čerpadlom a vracia prebytočný objem úmerne počtu zatvorených spotrebičov.

Najmä v systémoch s tepelnými čerpadlami alebo obehovými čerpadlami s reguláciou otáčok ventil zabezpečuje požadovaný minimálny prietok potrebný pre správnu prevádzku stroja a na zabránenie poruchám a prehriatiu.

Nastaviteľnosť a ovládanie

Plynulé nastavenie pomocou viditeľnej stupnice umožňuje presné prispôsobenie sa vypočítaným tlakovým podmienkam systému. Počas uvedenia do prevádzky by sa nastavenie malo vykonať na základe charakteristickej krivky čerpadla a požadovaného limitu diferenčného tlaku.

Jemné doladenie počas prevádzky umožňuje optimalizáciu správania systému pri meniacich sa zaťaženiach; nastavenia sa zaznamenávajú pre neskoršie kontrolné merania.

Výhody

Ochrana čerpadla a regulačných komponentov obmedzením maximálneho diferenčného tlaku, znížením hladiny hluku a dlhšou životnosťou systému. Stabilnejšie hydraulické podmienky zlepšujú regulačné správanie a účinnosť.

Pokyny na montáž a údržbu

Ventil by mal byť nainštalovaný na vhodnom mieste v spätnom potrubí, prístupnom pre kontrolu a nastavenie. Sitko pred ventilom zvyšuje prevádzkovú spoľahlivosť a znižuje opotrebenie.

Odporúčajú sa pravidelné vizuálne a funkčné kontroly, ako aj kontroly obsahu glykolu a tesnení. V prípade mrazu je potrebné prijať vhodné ochranné opatrenia.

Oblasti použitia

Vhodné pre vykurovacie, chladiace a tepelné čerpadlá s premenlivým prietokom. Obzvlášť užitočné v systémoch s viacerými spotrebičmi, pohonmi alebo čerpadlami s reguláciou otáčok na zabezpečenie minimálneho prietoku a obmedzenia tlaku.

Technické údaje

  • Maximálny pracovný tlak: 10 barov
  • Rozsah teploty média: 0–100 °C
  • Maximálny obsah glykolu: 30 %
  • Činidlá: Voda, roztoky glykolu
  • Nastavenie: 10–60 kPa (1–6 m w.s.)
  • Pripojenia:
    • 3/4” vnútorný závit (ISO 228-1) pre vonkajší závit so skrutkovým pripojením

platba & Bezpečnosť

Možnosti platby

  • American Express
  • Apple Pay
  • Bancontact
  • BLIK
  • EPS
  • Google Pay
  • iDEAL
  • Klarna
  • Maestro
  • Mastercard
  • MobilePay
  • PayPal
  • Przelewy24
  • Shop Pay
  • Union Pay
  • Visa

Vaše platobné informácie sú spracované bezpečne. Neukladáme ani nepristupujeme k informáciám o vašej kreditnej karte.

Kontaktujte nás